
筆形氣缸以小缸徑、快反應、高頻率速度的產品特點,在自動化市場占領一席之地,廣泛應用于:機床行業(yè)、食品行業(yè)、焊接工程、印刷工程、造紙工程。
在氣動元件市場上,主要有;
亞德客型的MI筆形氣缸、MA筆形氣缸、PB筆形氣缸、MF筆形氣缸、MAl筆形氣缸。
Smc型:CDJ2B筆形氣缸,C85筆形氣缸、CDM2B筆形氣缸。
在筆形氣缸進行選型過程中,了解氣缸的安裝及安裝形式是一個重要的步驟,下面,斯麥特氣缸廠家以CDJ2為例,具體介紹筆形氣缸CDJ2如何安裝?都有哪些安裝尺寸表?
筆形氣缸的五種安裝形式:基礎型、腳座型、法蘭型、雙耳型、雙耳型(帶t形座)

筆形氣缸的基礎型安裝形式 安裝尺寸圖:

筆形氣缸腳座型安裝形式 (單腳座)外觀尺寸圖:

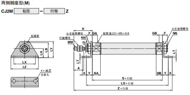
筆形氣缸腳座型安裝形式 (兩側腳座)外觀尺寸圖:

筆形氣缸桿側法蘭安裝形式 外觀尺寸圖:

筆形氣缸的三種安裝件:腳座、法蘭、T形座
筆形氣缸T形座安裝件的外形尺寸圖:

筆形氣缸有多種標準附件可選擇:單肘接頭、耳環(huán)用銷軸、軸接頭用銷軸、雙肘接頭、安裝用螺母
筆形氣缸單肘接頭附件尺寸圖:

筆形氣缸耳環(huán)用銷軸附件尺寸圖:

筆形氣缸肘接頭用銷軸附件尺寸圖:

斯麥特筆形氣缸使用安裝過程中的注意事項:
1.工作中負載有變化,應選用輸出力充裕的氣缸。
2.在濕度大、粉塵多、或有水滴、油塵、焊渣的場合、氣缸應采用必要的防護措施。
3.氣缸拆下長時間不用,要注意表面防銹、進出氣口應加塵土賽帽,特別注意前、后蓋不可拆卸。

相關推薦:如何區(qū)分筆形氣缸和普通氣缸?